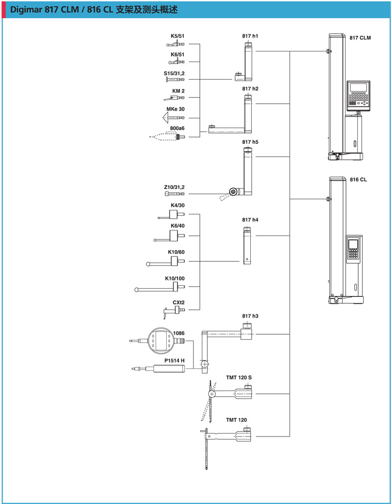
德国马尔高度仪Digimar 816 CLM
- 带双读取头的光学增量测量系统提供优异的精度和可靠性
- 动态感测系统实现高度可重现性
- 空气轴承系统实现轻便而平滑的移动
- 不锈钢导轨上的精密测量头
- 机动测量支架简化了测量运动过程
- 仪器关闭后测头常数不变
- 集成可充电电池,运行时间长,测量时无需电源
- 使用集成温度传感器提供温度补偿
- 大而定义清晰的功能键
- 易于阅读的背光图形 LCD 显示器
- 利用直观的图标/图形引导操作员
- 多种语言操作员提示和菜单
- 可在工件上设置额外零点
- 通过 RS232 接口可以连接额外测量仪器
- 软件可以升级,保证未来都处于最新状态
- 自动待机切换模式
- 可选自动关闭功能,不会丢失测量值






 
 上一篇: 德国马尔Digimar 817 CLM 二维测高仪 
下一篇:没有了
        
      下一篇:没有了

